
June 2, 1990
In less than 10 months the FCC has scheduled to reduce the maximum legal power allowed AM transmitters to approximately one-half the present power limit. The "grandfather clause" which extended the longstanding maximum one kilowatt DC input to the final will expire on June 2, 1990, after which the FCC expects AM transmitters to comply with the 1500 watt p.e.p. output limit imposed by the Commission in 1983. Although the FCC denied several Petitions for Reconsideration and defended the AM power reduction all the way to the U.S. Supreme Court, the administrative remedies in this matter have not yet been fully exhausted. In the Report and Order of power limit Docket 82-624, the FCC stated: "We, therefore, have decided to limit the grandfather provisions to a period ending June 1, 1990. If it appears there is any justification to do so, we will reconsider the matter at that time." (Emphasis ours. For details on the background of this issue, see the article, "History Behind the AM Power Issue," immediately following this article. -Editor)
For six years now there has been a lot of discussion by AM'ers on how we should deal with this matter. The time has now come for the AM community to get together, develop a strategy, and put it into action. Let us examine four prominent attitudes we hear in the discussion of this topic.
(1) THE DEFEATIST ATTITUDE. Some AM'ers argue that we have no choice but to cut back our power in 1990. The FCC had already made up its mind on this matter before the rulemaking proposal was even released to the public. The Commission ignored technically sound, reasoned arguments in the comments, and considered only those arguments which supported the predetermined outcome of this proceeding. You can't fight City Hall, and the Federal Government is not about to rule against itself. It is useless to pursue this issue any further; the FCC is simply not going to pay any attention to anything we say, regardless. We'd be better off putting our energy into improving our antenna systems to make up for the lost power.
(2) CIVIL DISOBEDIENCE. Other AM'ers carry the above line of thinking one step further: We've been had. The Feds have laid a bundle of fallacious logic on our heads and expect us to bow down and take it. Let's give this matter exactly the consideration it deserves. Simply ignore the ruling, defy the change, and go on operating exactly as before. When AM kilowatts are outlawed, AM'ers running kilowatts will be outlaws; big deal. Besides, the FCC with its chronic budget problems is not going to waste money sending agents to check out AM ham stations to make sure everyone is complying. The Commission even admitted that the 3 dB difference in signal strength would be practically insignificant. If they couldn't control thousands of CB'ers running 200 times the legal limit, is the FCC really going to worry about a handful of AM'ers running twice the maximum legal power?
It has been suggested that we avoid the use of 50-ohm coax outputs on homebrew transmitters, using instead balanced open wire tuned feeders with resonant link or coupling coil to the final tank circuit. Breaking the output circuit to insert a measuring instrument may throw the tuned circuit out of resonance far enough to greatly change (probably reduce) the output power. The theory here is that, for a routine inspection, the field engineer would not be equipped to measure the output from such a transmitter.
One problem with this attitude is the matter of principle. The Feds have singled out a specific group within the amateur community and arbitrarily taken away a freedom we have enjoyed since the beginning of amateur radio. As victims of injustice, we must exercise our constitutional right to petition the government for redress of grievances. The "reconsideration" clause in the Report and Order means that our legal remedies have not yet been fully exhausted.
Secondly, the power limit rule could become a tool of selective enforcement if the FCC wanted to "get" someone, and the only "illegal" thing that person was doing was exceeding a largely ignored power limit.
Thirdly, FCC engineers routinely check operating power whenever they inspect a station for any reason such as interference complaints. Therefore we run the risk of getting busted, a risk willingly taken in any form of civil disobedience.
(3) DON'T ROCK THE BOAT. The FCC's definition of p.e.p. may be ambiguous. Some knowledgeable amateurs have done the mathematics to show that AM'ers will still be legally able to run KW's under the present rules, and this has even been verified, using certain popular "ham radio quality" RF wattmeters. Perhaps as a result of the Supreme Court fight, the FCC has subtly changed its attitude towards AM. The Part 97 rewrite indeed reflects an apparent mellowing of the FCC's previous anti-AM bias (remember Docket 20777?) as they have come to realise that there is substantial interest in the AM mode after all.
If we don't push the issue, the FCC will likely let us go on operating as always. Drawing attention to the power issue would be all wrong. The less said the better. Only after someone actually receives a citation for running 1000 watts DC input or less would a rulemaking petition before the FCC be appropriate.
This premise is speculative, at best, and even if valid, would leave us at the mercy of the whims of FCC officials. Has the FCC really mellowed its attitude? From reading the text of FCC documents on this issue, there is no doubt, ambiguous definitions notwithstanding, that the original intent of Docket 82-624 was to cut the legal power limit for AM. Otherwise, why did they bother to include the grandfather provision in the rules?
We must not lose sight of the fact that the FCC specifically promised to reconsider this matter at the appropriate time - and that time is now. If the AM community remains silent, the opportunity could pass forever to correct this unfair and unjust government decision.
(4) PETITION THE FCC TO CHANGE §97.313(b). We believe the steady increase in interest in AM as evidenced by increased AM activity heard on the bands, and the numerous AM kilowatts presently on the air with still more under construction, is ample justification for the FCC to follow through on its stated promise to reconsider this matter before next June. The following outline of recommendations is based on suggestions by Dale Gagnon, KW1I, for a possible strategy.
1. Work up an iron-clad technical definition paragraph to replace the existing §97.313(b) "grandfather" paragraph. Ideally it should be a simple output power measurement statement, with no technical loopholes, preferably using language with lower numbers like "750 watts carrier output..." rather than higher numbers like "3000 watts output at voice peaks..." so that non-technical reviewers don't read it as an AM "power advantage" compared to other modes.
2. Develop a position statement with Rationale as a prelude to a rulemaking petition around this new paragraph.
Main Statements of Rationale:
a. Limiting AM to 1500 watts p.e.p. will be unfair to owners of high power AM transmitters and will cause them economic injury. It will obsolete equipment that has been legal for over half a century, while the legal power for other modes has actually been increased.4. Get ARRL to provide passive or active support. Target League officials in the field and at headquarters. Assign AM'ers to these individuals to use the positioning statement to gain these individuals' support where possible. Present this to the ARRL as a group of amateurs who are about to be unfairly treated at no offsetting advantage to the larger amateur community or to the FCC. "We need your help."b. The stated purpose of the FCC's power rule proceeding can be served without taking away any existing privileges or making any amateur equipment obsolete. The intent of the power limit change was purportedly to allow a safe and unambiguous measurement of transmitter levels. The power measuring equipment in use by the FCC field Organisation can just as easily measure AM transmitter power as stated in the proposed revision of §97.313(b) as it can measure transmitter power in any other mode. It might be wise to actually survey a number of field offices and include in the Rationale data on equipment and measuring techniques used, to bolster this argument. The proposed revision of §97.313(b) will not hinder FCC purposes, endanger FCC personnel or incur any equipment or training costs.
c. The requirement to use the minimum necessary power to maintain desired communications applies to all modes in precisely the same way, and has no special application to AM.
d. Adopting the proposed revisions to §97.313(b) will not in any way impact operating conditions on any band.
e. The FCC is committed to review this matter before any power reduction goes into effect.
5. Send a delegation to talk to FCC staffers to sound out any sensitivities on language and approach to the Commission in the petition process, e.g. how to articulate our concerns as "raising significant new issues", etc.
6. Prepare a single welI-thought-out and well-written petition, preferably with ARRL cooperation, and submit to the FCC, following the correct procedure.
7. Energize the AM community, especially high power enthusiasts, to send comments in support.
Let us know what you think. What suggestions do you have to offer? Are you willing to actively participate? This needs a lot of work and a FEW (not one) committed workers. Please feel free to address your questions, opinions and suggestions to The AM Press/Exchange (we won't publish them if you ask us not to), or to Dale. You may contact him by writing to Dale Gagnon, KW1I, 9 Dean Ave Box 154, Bow, NH 03301.
HISTORY BEHIND THE AM POWER ISSUE
In less than ten months, the FCC's scheduled reduction of the maximum power allowed for AM transmission, to approximately one half the present limit, is to go into effect as a result of rulemaking Docket 82-624, which changed the power limit from the longstanding 1000 watts DC input to 1500 watts p.e.p. output. The problem is that the p.e.p. outputs of various emission modes, for a given DC input power, vary widely. From the beginning, the FCC has seemed strangely obsessed with the idea of a single p.e.p. output limit that would apply to all modes regardless. Inevitably, the maximum operating power of some modes had to change to accommodate such a rule. The Commission steadfastly refused to consider any separate power limit for any specific mode to avoid making the rules "overly complicated". The FCC decreed that since SSB is the "most popular" mode in amateur radio, SSB power standards would be imposed on all other modes. CW and FM enjoyed a windfall in the new power standards; the limit for those modes was at least doubled, and it is now legal to run approximately two to three kilowatts DC input. Because of a mathematical quirk that has, nothing to do with signal strengths or communications effectiveness, AM has a higher peak-to-average ratio than other modes. Therefore the new rules apparently limit AM to approximately one half the maximum allowed under the old rules. To "minimise the immediate impact of this rule change" on AM operation, the 1 KW DC input standard was "grandfathered" until June 2, 1990.
The bottom line of the FCC's argument is that, because the old power rules failed to adequately deal with SSB, AM power privileges will be reduced, while SSB privileges remain essentially intact, solely for the convenience of the FCC in writing a "simple" power limit regulation. It is important to note, however, that the FCC further stated in the Report and Order, "If it appears there is any justification to do so, we will reconsider the matter at that time (1990)."
At this point, it should be emphasised that any power reduction under this rule would apply onlytohighlevelplatemodulatedtransmitters. Under the old input power rule, low level modulated transmitters (grid modulated finals and AM linear amplifiers), never were allowed significantly more than 1500 watts p.e.p. output. This is due to the reduced efficiency of low level modulation compared to high level plate modulation.
Several Petitions for Reconsideration were filed after the FCC adopted the new rules, charging that the Commission was not diligent in exploring every possible avenue of realising its goals in this proceeding without taking away privileges already enjoyed (i.e. the maximum power presently allowed for AM). The petitions further showed that the FCC could easily adopt a separate. p.e.p. output limit for AM that would approximate the maximum attainable under the old rules. Incredibly, the FCC rejected this argument by stating that they could not reconcile a higher p.e.p. output for AM with the requirements of the Communications Act of 1934, which requires the use of the minimum power necessary to carry out desired communications. Not only did the FCC totally dodge the issue by using this argument; they failed to address the reason why doubling the CW power limit was not irreconcilable with the same requirements of the Communications Act, considering the well understood power efficiency of CW.
In the meantime, one AM operator, Glenn Baxter, K1MAN, filed suit in federal court on the grounds that the scheduled power reduction was arbitrary and discriminatory by singling out one group, the AM'ers, for a loss of privileges. The Court ruled in favor of the FCC, essentially on the grounds that only the FCC, not the Courts, have the necessary "expertise" to rule on technical matters of this nature. Glenn then filed an appeal with the U.S. Supreme Court for the March, 1986 term. Glenn's petition before the Court pleaded that the "Expertise Doctrine", in which the Court always defers to the Commission, is unconstitutional, that the Court is obliged to acquire the expertise to rule on cases brought before it. Despite the likely unconstitutionality of this doctrine, it has become an essential tenet of administrative law, a major cornerstone of present day government operation in the United States. If the Court had ruled in favor of Glenn, it would have pulled the foundation right out from under the federal bureaucracy. Predictably, the Court would not touch this case with the proverbial ten-foot pole. We can only assume that the High Court refused to hear the case; after an initial surge of headlines and publicity in the amateur radio news media after the appeal was filed, nothing more on this case was ever heard from the FCC, the amateur radio news media, nor from Glenn Baxter himself.
The League's initial comments on Docket 82-624 were favorable to the change in power limit. According to the Executive Vice President the new rules "benefitted the overwhelming majority of amateurs." The League did ask for a permanent grandfathering of the old power limit to AM equipment which already existed at the time the rules would go into effect. In the final proceeding, the FCC rejected any form of permanent grandfathering.
The League was unsupportive of K1MAN's lawsuit on the grounds that administrative remedies had not been exhausted, in reference to the FCC's stated willingness to reconsider the matter when the temporary grandfathering expires in 1990. The Executive Vice President characterised K1MAN's court action as a "predictably futile and counterproductive court challenge."
The League filed a Petition for Reconsideration to Docket 82-624, but did not address the AM power issue in any way. Nor was there any request to rescind the power reduction in the League's comments in response to the recent Part 97 rewrite issue.
League officials point out that ARRL policy is set by the board of directors, and that League members have the opportunity to "urge League support" of the AM power effort at the "appropriate time." This clearly implies that the League will not automatically petition the FCC in support of AM in 1990 without hearing from its members through the Division Directors. Some League officials have expressed belief that the Commission's position may have been hardened by the court challenge, that it will no doubt be more difficult to get the permanent concession. The same thing was implied a year or so ago at a hamfest FCC forum, when John Johnston of the Private Radio Bureau of the FCC stated that the FCC was not likely to consider modifying this rule after having defended it all the way to the Supreme Court. Johnston admitted, however, with three new commissioners out of a total of five, the new Commission might set its own agenda.
June 2, 1990 is a little over nine months away. It takes months, sometimes even years to work through the sluggish federal bureaucracy. The time to set the machinery into motion is now, if we are going to do anything at all. And like it or not, the FCC has in effect deferred much of its amateur radio policymaking to ARRL. The League's position seems to carry more weight than lobbying efforts by other organisations and individuals, and they could have a strong influence on the outcome on the FCC's final decision on the AM power issue. Therefore, it is essential that AM'ers who are League members begin to actively urge the League to support us in this matter. The ball is in our court.
"40 Years of HF Mobileering"
by Don Johnson, W6AAQ
(A book review by John Morehead, N9HRS)
This summer, while preparing to install a G-76 in the car for some "A.M. to go" I ran across this fascinating 116 page "compendium" on antennas, installations and tuners. The author, Don Johnson, W6AAQ, logged his first 75 meter mobile QSO at 0001 PST on July 15, 1948 (the first day hams were allowed to operate mobile on that band, as well as 40 + 20 meters).
It immediately satisfied my curiosity on "how to" properly install HF mobile equipment (especially in today's cars). It also kept me from running out to buy a commercial mobile antenna. The plans and data outlined for a proven, multi-band automatically-tuned, high-efficiency mobile antenna system will appeal to any A.M.'ers home brewing instincts.
As a bonus, Don reprints some early 50's info and schematics on "Carter Modulation", shows how to make a Gonset Super 6 converter double as a VFO for transceiver operation, and sprinkles the book with reprints of vintage mobile gear ads and other nostalgic remembrances.
There are enough tips on what to do, as well as what not to do, to make this a worthwhile reference for any A.M. mobileer.
[John Morehead, N9HRS]
It's OK to Photocopy AM P/X. But...
We steadily get requests from readers who want to copy from the AM Press/Exchange and put it in other newsletters. Please read the fine print on the back cover of each issue. It is perfectly all right to copy from this newsletter if credit is properly given. Just mention that your material was taken from The AM Press/Exchange. If possible please give our address. You just might get someone else interested in AM. The only exception to this blanket permission is in the case of individual articles copyrighted by the author. Any such copyright will be indicated on the title page of the article. In that case, you will need to contact the author, not AM P/X.
As we have explained before, we cannot provide back issues for more than two or three months back. After that time, any extra copies are distributed as samples. In the past we have tried to keep back issues, but ended up spending more time keeping track of them and filling back issue requests than we were putting into the current issue. Because time is very limited, the decision was made to discontinue dealing with back issues altogether. However, readers are free to photocopy entire back issues to make them available to readers who did not receive an original copy.
ARRL Board of Directors Meeting
The ARRL Board of Directors normally meets twice a year, once in January and again in March. AM'ers wishing to gain League cooperation in dealing with the AM power issue should keep this in mind. Communication with Division Directors (see page 8, any issue of QST) should be accomplished in time for the January, 1990 meeting. League policy is decided at these meetings, and the January one is the only annual board meeting scheduled before the grandfather clause" is scheduled to expire.
MODIFYING RADIO SHACK EQUALIZERS
Bacon, WA3WDR
Add a few parts to the 32-1115 five-band mono equalizer, and it can become your favorite microphone preamp/equalizer. Add two capacitors and rearrange four resistors in the 32-1106 three band parametric equali7.er, and see if it doesn't become one of your favorite toys!
Both equalizers can run on batteries or 9 volt supplies. Use the 9 volt supplies - dead batteries are a pain.
A D-104 microphone, usually a
good
choice for amateur AM use, requires a much higher impedance than these
equalizers provide. If you're using a D-104 microphone, try the buffer
shown in Fig. 1.
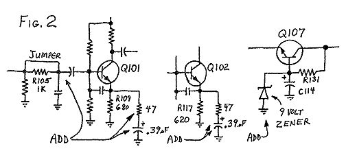
THE 32-1115 FIVE BAND MONO GRAPHIC EQUALIZER
First, add a 9 volt zener diode
from
the base of Q107 (the power filter) to ground (anode to ground) - this
allows the unit to work even if the DC supply voltage is slightly high.
Next, jumper out R105 (1K) - this reduces noise. Then place a series
combination
of 47 ohms and .39 uF across R109 (680 ohms, the emitter resistor for
Q101),
and place another series combination of 47 ohms and .39 uF across R117
(620 ohms, the emitter resistor for Q102) - these changes add lots of
high
frequency boost; if it's too much, remove the R/C combination from
R117.
Change C125 (.027 uF) to .068 uF, and change C124 (1 uF) to 4.7 uF -
that
changes the 240 Hz band to 100 Hz. Finally, change C132 (.068 uF) to .1
uF - that changes the 3.5 KHz frequency band to 2.9 KHz. See Fig. 2.
When you switch the EQ/BYPASS switch to BYPASS, the slider EQ is disabled, but you will still have the high frequency boost from the emitter bypass networks. Audio polarity is not reversed by the bypass switch.
If I might suggest, set 60 Hz
flat,
set 100 Hz at +6, set 1 KHz at +3, set 2.9 KHz at +12, and set 10 KHz
flat.
A D-104 will not need as much 2.9 KHz boost; try +5. Run the preamp
gain
low.
THE 32-1106 STEREO PARAMETRIC EQUALIZER
This equalizer is not a microphone preamplifier, it is meant to be used at line levels around .2V rms. A separate microphone preamp will be required. Also, it is a stereo equalizer; anything you do to one channel, you should also do to the other channel. That's why the parts are changed in pairs below.
Change C165 and C166 (both .33 uF) to .047 uF - that triples the frequency range of the middle band from 320-1.6K to 1K-4.8K. Remove R177 and R178 (both 1K), and just leave them out - that about doubles the boost and cut range of the middle band. Finally, change R207 and R208 (both 430 ohms) to 1.5K - that reduces the Q of the middle band, which would otherwise be too sharp.
If I might suggest, set the low band to +6 dB at 80 Hz, set the middle band to "+10" dB (now about +20 dB) at "1 KHz" (now 3 KHz), and set the top band to 0 dB at 8 KHz. If you use a D-104, you don't need as much 3 KHz boost; try "+2 dB" (now about +4 dB). Set the output gain between 5 and 10.
All equalization is eliminated in bypass mode, but the output polarity of this equalizer reverses when it is bypassed.
MEET THE AMers
SULPHUR JOHN, WD5EHS, AND SAN ANTONIO JOHN, W5EMU
DARRYL WA5VGO, LEE W0VT, JOHN WA5BXO, STEVE WB5UGT, AND JOHN WD5EHS
DOUG SMITH, WB4TFQ, WITH GRANDDAUGHTER
open forum
Editor, AM P/X:
I was surprised to see the angry note from Bill, WD8DWM, in the June '89 AM P/X. A 20 year veteran of ham radio, Bill tried AM only to feel that he was treated like dirt by virtually every AMer!
I'm sorry, Bill, but I find that difficult to believe. The AM groups have been EXTREMELY receptive to newcomers, offering encouragement, equipment, technical advice, assistance with antennas, rigs, etc. They love QSOs, visits, hamfests, etc. So I was puzzled at your feeling. I asked around a little bit on 75 meters, but nobody knew you, so I don't know what happened to you.
You were selling your DX-35 - was that your AM transmitter? You know, those little carrier-controlled screen modulated 6146 rigs put out a weak signal with anemic audio unless they are modified. Maybe you boosted it with a linear amplifier - and overdrove that because of the carrier control. I suspect you were weak, distorted, or both, and people could not hear you well. Perhaps they talked over you. Maybe you were accused of being "piss weak". Maybe you sounded funny and they were amused. Whatever, you shouldn't take it so personally, Bill; people are people, maybe they were frustrated straining to copy a screwed up signal when they wanted to talk to their buddies.
Let's face it, it's tough to work AM in the evenings on the lower bands; you have to be loud and clear to be heard. We establish communications and attempt to retain a fairly clear channel. Other distant QSOs litter the channel, along with stray sideband QSOs, careless transmitter tuneups, static, splatter, deliberate QRM, carrier heterodyne chorus symphonies, etc.
Newcomers to AM usually start out with anemic and/or muffled modulation, low power, poor antennas, etc, so most of them are weak and heeyellowy. This can cause the AM QSO to lose the channel!
Stray (and not-so-stray) sideband QSOs tend to stay away as long as we are loud enough, but when a weak station makes a long transmission, strays stumble onto what appears to be a clear channel and ask if the frequency is in use, then ignore us when we say yes it is, and start up a QSO. Then they hear one of the stronger AM stations and howl about deliberate QRM, claim that they were there first, and fight for the channel. In a typically ponderous AM roundtable, this usually breaks up the QSO. Bummer.
To you, Bill, and to all the other AM newcomers out there: welcome! Please join us, in the spirit of fun and enjoyment. Just understand, we're big kids, and this is the real world.
- Bacon, WA3WDR
Editor, The AM Press/Exchange:
When I read WD8DWM's note in the June AM P/X to the effect that after achieving his dream of running AM, he found himself so rudely treated by AM'ers that he was giving up, I thought "This guy is just too sensitive". After this morning, however, I feel differently.
Waking up about about 4 AM I turned on the bedroom transceiver. I found an AM QSO on 3885 between a couple of stations I had often heard but never worked. Conditions were good and one was about to sign. I waited for the final round of "signing clear"s, said my call a couple of times, and sure enough, one came back to me -- always a pleasant surprise with the (five watt output) GRC-9. After I made one short transmission, station four -- a fellow I know, who runs over a hundred watts -- broke in and was acknowledged.
Then a fifth and sixth stations broke in and made short transmissions; number five then signed out. And then... stations one two and six proceeded to chat without call signs or turnovers until somewhere past 6 AM. The other two of us were simply forgotten.
I could do nothing about this; with only five watts it takes both timing and luck to "break" and without the cue of a formal "over", it is impossible. Station four tried to break again but was not heard; he "doubled" a signout around 5:30 without making a transmission.
I got to thinking -- suppose I had been a newcomer, like WD8DWM, Bill Lauterbach? With a DX-35 he probably didn't have a much stronger signal than I. I wonder if he had experiences like this?
Then I got to thinking about why I rarely operate in the evening. The main reason is that the "action" on 3885 is often like what went on this morning -- but more so. Rapid banter among "buddies", punctuated by "doubled" "Strap!"s (will someone tell me what that means?), sounds of various body functions usually performed in private, catcalls, "doubled" commentary, -- the sort of self-indulgent showing off that one associates with teenage boys.
I wonder if Mr. Lauterbach ran into this too?
I have heard it said that those who don't like such material can tune away, and of course that is true. But on reflection, I realize that there are some problems with that view. The first is that there may not be a good place to tune to. During many hours of the day it is difficult to hold even one AM channel on 75 meters; unless one has a strong signal and some determination a second frequency is nearly impossible.
Second, those who don't share our love for AM also listen; we run some risk that they will eventually turn us off, rather than just tuning away. Living in Washington, one gains a sense of just how easy it is for an annoyed Senator to get something small (like AM) changed.
Finally, we AM'ers are a tiny minority. We need each other and we need newcomers. When we use our frequencies to barf on the furniture, throw beer cans at everything that moves, and in general to yield to every impulse that isn't obviously fatal -- while ignoring our guests -- we're throwing a party that hardly anyone will want to join. It feels great to the rebellious adolescent in us, but is that really what is most important?
Our best hope is for AM to make friends and grow while giving as little ammunition as possible to the opposition. Based on Mr. Lauterbach's remarks and my own recent observations on 3885, I think we are doing exactly the reverse.
Walt Hutchens, KJ4KV
3123 N. Military Rd.
Arlington, VA 22207
Editor, AM P/X:
I wonder how many a.m. aficionados in your readership have, at one time or another contemplated the use of amplitude modulation as an alternative to the old "hand pump" on the occasion of the A.R.R.L.'s annual "Straight Key Niqht" event?
While c.w. continues to be the personal favourite mode of mine, I am of the opinion that a.m. phone is, indeed, as much a part of Amateur Radio's heritage as the former mode, with or without a straight key. This point was raised by me earlier this year in a letter to the editor of the S.K.N. results for QST, but so far it has not merited any response from the League.
It should be recognized that while practically everyone is nostalgic to a certain degree, NOT everyone is an avid fan of code: why then penalize those who will not, or --- for physical reasons --- CAN not, participate in a celebration of such fun and remembrance? Wouldn't it be great, if only for one night of the year, to be able to taste the flavour of even a small portion of the phone bands such as they were some 30-40 years ago?
What type of response might be elicited from the League if a quantity of other a.m.'ers took the time to drop Newington a note, with an expression of their feelings on such a proposal?
Edward Peter Swynar, VE3CUI
Editor AM P/X:
I was surprised to see in the July 89 issue several references to 6 meter AM operation. I hope that the following information will be of some help to those AM'ers who may be thinking about putting 6 meter gear back on the air.
First off, there are several pockets of 6 meter AM activity taking place throughout the United States. Here in the Philadelphia/Southern New Jersey area, there are approximately 30 stations active on 6 AM. Unfortunately, most of this activity takes shape by way of regularly scheduled nets, however, it is hoped that with increased useage CQ's during any hour of the day or evening will be answered. The following list on AM nets in the Philadelphia area was current as of November 1988. Please note that there may have been a few changes in regards to time and/or frequency:
DAILY 50.604 MHz 9:00 AM local COFFEE POT NET K3AFK
DAILY 50.325 MHz 11:00 AM local WINDJAMMERS NET W3NHX
WEDNESDAY 50.585 MHz 9:00 PM local CHESTER COUNTY ARC NET K3BKG
SATURDAY 51.000 MHz 7:00 PM local MASONIC ROUNDTABLE (MRT) NET WA3LGC
SUNDAY 50.550 MHz 9:00 PM local MOBILE SIXERS ARC NET WA3KFT
The Net Control Stations for these nets vary from time to time although all of them are located in Southeastern PA in and around Philadelphia. Check-ins from Southern New Jersey and Northern Delaware are common. Everyone is "horizontally" polarized.
Unfortunately, I am aware of only a few other nets in the rest of the United States. Please note that this information may not be 100% accurate:
MONDAY 50.350 MHz 7:00 PM local SLURP 6 METER AM NET OHIO KC8PS
MONDAY 50.520 MHz 7:00 PM local ALABAMA EMERGENCY NET ALABAMA W4QAU
WEDNESDAY 50.540 MHz 7:30 PM local M.D.Q. NET MASS. K1NEM
WEDNESDAY 50.520 MHz 8:00 PM local ALABAMA EMERGENCY NET ALABAMA W4QAU
DAILY 50.580 MHz 6:00 PM local FORT WAYNE 6M AM NET INDIANA W9PMT
If any readers of the AM P/X know of 6 meter AM activity not listed above, please send me the information so I may compile an up-to-date listing. I am quite sure that there are many 6M AM nets and informal groups operating around the country. Having a complete listing of nets and favorite frequencies would be a big help in getting AM'ers coordinated and thereby increase activity.
As far as DX is concerned, most of the AM activity outside the United States takes place in South America. For example, George CX8BE (a very active 6M SSB operator from Montevideo, Uruguay) told me last year that many 6 meter stations in his country operate on AM for local communications - much like we do here with 2 meter FM. Therefore, when the band opens to North America from his area, it is usually a good idea to check up around 50.400 for Spanish speaking stations. Unfortunately, some of these AM'ers do not speak English, or very little if any. In closing, I hope that the above information has been of help to those thinking about getting on 6 AM. In addition to getting information on nationwide 6M AM nets, I would also like to gather information on 10 meter AM nets as well. 73
Harry A. Schools KA3B
1606 South Newkirk Street
Philadelphia, Pa. 19145
July 24, 1989
CALLSIGN T-SHIRT AD, AUGUST, 1989
EXCHANGE
(Contact information removed - old
copy)
WANTED: Clean Collins 310B1 and Johnson Navigator, with manual.
WANTED: Manual for HRO-50-T. Will pay for shipping and copying. AM filter for Heath SB-301/2/3. FOR SALE: A, B, C coils for HRO-50-T. (will take filter out of any junked Heath rig).
WANTED: Manuals/schematics, or copies thereof, for Heathkit IP32 regulated power supply. Also for Northern Radio Co. variable master oscillator type 115 Model I. Will pay reasonable price.
FOR SALE: Meissner signal shifter, turret model with 807 in final stage. Good condx but no manual. Have not checked for operation but everything seems there. $30 plus shipping. Drake TR-7 service manual $25 ppd. Yaesu, Kenwood, Tentec, Atlas service manuals circa 1980 $15 each ppd; owner's manuals $5 ea. ppd. Send SASE for list. SP600JX manual $5 ppd.
WANTED: Pre WWII Radio's Master, transformers UTC LS-49, LS-18, Chicago BD-2.
WANTED: Collins KW-1 meter panel with meter and capacitors for meters.
FOR SALE: 833A pulls $75, 4CX250B pulls $25; new G.E. 1600 mfd X 450 v. electrolytics $6.00 ea.
WANTED: 830B's, 203A's, Pyrex chimneys for 3-400Z's, military TV-2 tube checker.
COLLINS MANUAL SALE: Mint condition, latest edition (not copies) of KWM-2A transceiver (9th edition, 15 Jan 78) $40, 516F-2 power supply (15 Jul 74) $15 and 312B-4/5 VFO speaker wattmeter (7th edition, 15 Mar 78) $15. Complete set of three manuals, $60. All items postpaid.
FOR SALE: Hammarlund RBG receiver military version of HQ120 with copy of manual $75; homebrew but professional grounded grid 813 amplifier with 3500 volt 500 ma. supply and B&W bandswitch all in cabinet $250.
WANTED: Old bakelite panel ham transmitters, TV-2 military tube checker.
FOR SALE: Type 805 tubes new boxed $20 each. 813 $20 ea. 809 $10 ea. 807 $3 ea. 1625 $2 ea. Miniature tubes $1 ea. Octals & Loctals $2 ea. Large air variables, modulation transformers, power transformers, inquire. Levy (the tube man)
FOR SALE: Heath SB401, Hallicrafters SX-101, Micro-Match swr & power meter, low pass filter, Electrovoice microphone, $150 or best offer.
FOR SALE: SX-62 GC $85, SX-71 exc $120 plus shipping with manuals.
WANTED: Parts off Hammarlund HQ160, HQ145, HQ110 or HQ170.
WANTED: Power transformer for a Viking Ranger.
WANTED: 6 meter AM transceivers please send description and price.
WANTED: W2EWL type transformer with 3 sets of CT windings (5200, 2200, 600 ohms). Also will purchase pre-#49 issues of AM P/X (originals or copies).
This is the AM PRESS:
An amateur radio publication dedicated to Amplitude Modulation.
This is the AM EXCHANGE:
Offering FREE ADVERTISING to enhance the availability of AM equipment and parts.
Edited and published by Donald Chester, K4KYV
NOTICE: The purpose of this publication is the advancement of Amplitude Modulation in the Amateur Radio Service, and there is no pecuniary Interest. Therefore, permission is hereby expressed for the use of material contained herein without permission of the publisher, with the exception of specifically copyrighted articles, provided that The AM Press/Exchange is properly credited.